Page 2602 - 永康市志
P. 2602
第五十卷 镇与街道
犇犐犠犝犛犎犐犑犝犃犖犣犎犈犖犢犝犑犐犈犇犃犗
续表
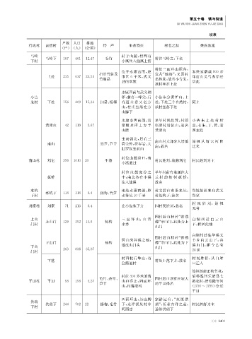
行政村 自然村 户数 人口 耕地 特 产 坐落特征 村名之源 姓氏源流
(户) (人) (公顷)
马岭 毛竹 村于山麓, 村西有 村位马岭之, 下名
下村 马岭下 167 461 12.47 小溪注入仙溪上游
位若“地窖”,又因村
上处 235 637 23.53 扫帚竹篮及 位于永康西南, 距 村处三面环山深谷, 朱姓家谱载800多
市区6千米,武义
年前由义乌赤岸迁
竹制品
名姓朱, 故名小告朱,
县的堂教
居此
该村坐在上处
永康西南与武义相
小告 邻,前有一峰尖,后 小告朱分黄圹山、上
朱村 下处 156 409 15.33 扫帚、杨梅 有道士岩又名方 处、下处三个自然村, 同上
山,村庄坐落在方 该村坐落下处
山脚下
永康市西南部,翁 早年村民姓黄,村前 小告朱上处村析
黄塘山 42 119 5.67 — 家畈水库上方半 临塘村后依山, 遂名 出, 有朱、 丁、 黄、 翁
山腰 黄塘山 四主姓
坐南朝北,后有三 南山村大部分人居溪 始祖从缙云河阳
南山 竹笋、笋干 套金钟,将军岩、大 南,故名 迁来
肚罗汉坐前山
南山村 刘宅 356 1010 20 生漆 村位山麓谷口,有 村民姓刘,故称刘宅 村民姓刘为主
小溪通过
村位山麓宽谷之 早年村前有条通往大
板桥 中,南北各有小溪 兰村的柏树板桥, —
注入仙溪 故名
水坑 水坑下 118 318 8.4 杨梅、 竹笋 地处永康南部,距 村北后山有条水坑, 郑姓始祖来自武义
下村 永祥坑10千米 村处坑下,故名 郑家
刘家村 刘家 71 213 8.4 — 在小告朱下方 因村民姓刘, 故名 村 民 姓 刘,始 祖
无考
上山 杨梅 三面 环 山,山 青 因村后山状若“弥勒 自湖州迁白云山
佛”守山门,此处为上
门村 上山门 129 352 13.6 水秀 山门 下,析居此地
丰乡白云山下,谷
佛”守山门,此处为下
下山门 杨梅 居山岗谷溪之地, 因村后山状若“弥勒 自湖州迁徙华溪义
下山 遂改山门头 山门 溪山门,距今已有
门村 263 836 35.87 28世
下范 — 村西枕后坤山,有 村处上范下方, 故名 村民姓舒,从白雁
口迁入
公路通村
始祖福建正梅竹坑,
村位400多米的高 后移温州乐清县七
平田村 平田 58 158 4.27 毛竹、茶叶、 山山岙上, 四面环 因村后山顶有丘较大 都农村, 清乾隆年间
笋干
的平田得名
山,村落散列
( 1736~1795)分迁
平田
四面环山,历山脚 宗谱记有:“双溪拱
拱瑞 拱瑞下 244 702 22 杨梅、毛竹 下,永祥溪从村中 瑞”,祈求吉祥之意, 村民姓舒为主
下村 间而过 遂称拱瑞下
〉〉〉2401

