Page 1197 - 《鹿城区志》
P. 1197
. 1078 . 温州市鹿城区志 卷五十八 民 政 . 1079 .
ਢൈҀᇹ ၄ਏҀᇹ
每年,除对烈士家属,牺牲、病故人员家属和 2002 年,区政府出台《关于印发鹿城区在乡
残疾军人发给一次性抚恤金外,又拨专款补助解决 重点优抚对象医疗费补助办法(试行)的通知》,
第三节章抚恤补助
优抚对象生活、生产、疾病医疗、就学等方面的困难。 落实重点优抚对象医疗保障问题,按照规定分别给
临时补助年平均 100 余人次,年支出补助费 3 万元。 予门诊费每年不超过 1000 元,住院费每年不超过
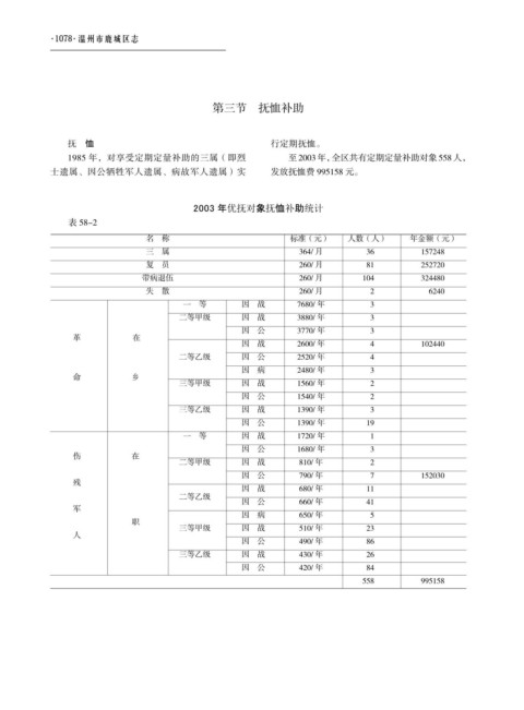
ڢᅣ྿ 行定期抚恤。 2000 元的医疗补助。至 2003 年底,全区共支出医
1985 年,对享受定期定量补助的三属(即烈 至 2003 年,全区共有定期定量补助对象 558 人, 疗补助费 2.8 万元,补助人次 40 余人。
士遗属、因公牺牲军人遗属、病故军人遗属)实 发放抚恤费 995158 元。
̿̽̽̀ ୍Ⴊڢؓའڢ྿Ҁᇹ࠹ 第四节章退伍安置
表 58-2
名 称 标准(元) 人数(人) 年金额(元) 1999 年开始,鹿城区开始接收退伍军人安置工 安置退伍军人 297 名,其中“双向选择”安置人数
三 属 364/ 月 36 157248
作。经过几年来的努力,在安置形式上打破了过去 达 20 人,自谋职业 267 人,区财政支付自谋职业
复 员 260/ 月 81 252720
靠单一的行政指令性安置办法,积极摸索指令性安 退伍军人补偿金 642.8 万元。
带病退伍 260/ 月 104 324480
置与市场选择相结合的途径。至 2003 年,全区共
失 散 260/ 月 2 6240
一 等 因 战 7680/ 年 3
二等甲级 因 战 3880/ 年 3
因 公 3770/ 年 3
革 在 ֻᅣᅣࣷᄙࣷ࠶Ḥ
因 战 2600/ 年 4 102440
二等乙级 因 公 2520/ 年 4
因 病 2480/ 年 3
命 乡 第一节章灾害救济
三等甲级 因 战 1560/ 年 2
因 公 1540/ 年 2
三等乙级 因 战 1390/ 年 3 1987 年 1 月,区府下拨救灾款 22400 元,救济 五保户发放救灾款 13000 元。
因 公 1390/ 年 19 重灾户、贫困户、五保户,其中,仰义乡 7600 元、 1994 年 8 月 21 日 10 时 30 分,第 17 号台风登陆,
一 等 因 战 1720/ 年 1
双屿镇 2200 元、新桥乡 4900 元、南郊乡 3900 元、 境内遭受百年未遇的狂风、暴雨、大潮汛的正面袭
因 公 1680/ 年 3
伤 在 黎明乡 3800 元。 击。全区 16 个街道、5 个乡镇、37 个居民区和 23
二等甲级 因 战 810/ 年 2
1987 年 7 月 27 日,遭 受第 7 号 台风袭 击, 个村被淹,最高水位达 2.5 米,被洪水围困 2.7 万人,
因 公 790/ 年 7 152030
残 全区 5 乡 1 镇 52 个村受灾,死 5 人,成灾粮田 受灾人口 20 余万人,成灾人口 7.3 万人,房屋倒塌
因 战 680/ 年 11
二等乙级 1525.56 公顷,粮食减产 574 万斤,成灾蔬菜 206.4 1747 间,损坏民房 9309 间、4859 户,死亡 13 人,
因 公 660/ 年 41
军 公顷,受灾柑橘 166.55 公顷,房屋塌倒 272 间, 重伤 11 人,无家可归 300 人;农田受灾面积 0.171
因 病 650/ 年 5
职 经济损失 484 万元。灾后,省政府下拨给鹿城区救 公顷,毁坏耕地面积 13.34 公顷,减产粮食 1846 万
三等甲级 因 战 510/ 年 23
人 灾款 2 万元,区政府给予换购救灾粮食 58800 斤, 公斤,损失粮食 132 万公斤;死亡牲畜 1190 头;
因 公 490/ 年 86
三等乙级 因 战 430/ 年 26 下发给仰义乡 29400 斤,新桥乡 11750 斤,双屿镇 水利设施损坏堤塘 4.2 公里,标准堤塘决口 71 处,
因 公 420/ 年 84 17650 斤。 共 2.22 公里,水闸 3 座,机房 20 座;损坏通讯设
558 995158 1990 年 6 月~ 9 月,境内连遭遇五次强台风袭 施线杆 110 杆,线长 1150 米;损坏树木 2150 株。
击,全区造成直接经济损失 3240 万元,灾民缺粮 造成直接经济损失 10.56 亿元,其中农业损失 3.46
约 117 万斤。灾后,区政府发放救灾化肥 20 吨, 亿元,4221 家企业损失 5.92 亿元。灾后,区政府
钢材 10 吨,玻璃 5 箱;区民政局所属事业单位用 两次紧急下拨救灾款 30.5 万元,为 1000 多名无家
于受损设施的修复拨款 5 万元。区民政局向仰义乡、 可归的灾民解决了燃眉之急。并在全区广泛开展赈
双屿镇拨出救灾款 7000 元,向重灾户、特困户、 灾募捐活动,共筹募救灾款 670 万元,衣物 15 万件,

